Bonjour et merci à tous
J'ai bien trouvé le filetage mentionné dans l'autre sujet

Pas sur que je regarde au bon endroit cependant

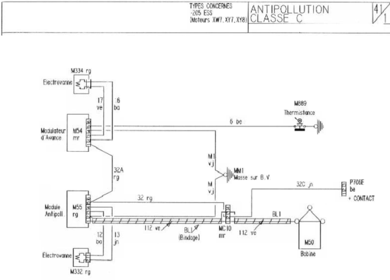
Le schéma semble pointer cet endroit mais je vois pas comment faire à part percer!
Par contre la doc électrique la positionne près de l'autre sonde

Où il semble y avoir aussi un filetage

Le réducteur et le joint sont NFP donc il va falloir chiner ...

Cette sonde est un peu particulière
Le fil jaune branché seul sur le contact du haut donne l'information au tableau de bord. Rien ne se passe si branché sur le contact du bas.
Le fil vert/rouge lui est relié à la masse (j'ai trouvé de la continuité avec le 2/Boîtier C et le 4/Boîtier B eux aussi sur masse)
Il me semblait pourtant que ces sondes n'avaient pas besoin d'être reliées à la masse
Gros doute cependant qu'il faut une autre sonde comme le suggére l'autre sujet car quand je cherche sur la référence Valeo de la doc cette thermistance semble être faite pour mesurer le liquide de refroidissement comme celle installée à double pôles
Quoiqu'il en soit le système de dépollution n'a jamais du fonctionner comme ça, je me demande si mon problème n'est pas ailleurs.
Mon manomètre d'huile est bien crade, ça se change ou on nettoie juste? est ce que ça pourrait influer?
